Operation - temperature range: -25 ° C ~ + 85 ° C
Rated voltage: 300VAC, DC
Rated current: 12A
Contact resistance: ≤ 0.01
Insulation resistance: ≥1000 M
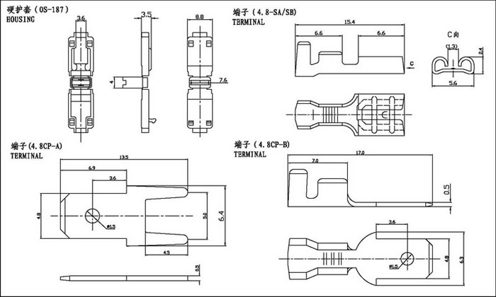
Plastic material: PVC
Terminal material: brass (tin plated)
Welcome to Wenzhou Zirui Electronic Technology Co.,Ltd.!
Operation - temperature range: -25 ° C ~ + 85 ° C
Rated voltage: 300VAC, DC
Rated current: 12A
Contact resistance: ≤ 0.01
Insulation resistance: ≥1000 M
Plastic material: PVC
Terminal material: brass (tin plated)